Boulons hexagonaux à bride
1.DIN EN 1665 Boulons à bride hexagonale - Série lourde
2. Fabricant de boulons source, propre usine : avec un avantage de prix, éliminant la différence de prix des intermédiaires.
3. Adoptez l’acier épaissi de haute qualité de l’industrie, une stabilité élevée et une durabilité à long terme.
4. Soutenir la personnalisation du client.
5. Ventes professionnelles et service après-vente, bienvenue pour se renseigner à tout moment.
6. Livraison à temps.
Un guide complet des boulons hexagonaux à bride : applications, avantages et sélection
Lorsque la résistance, la stabilité et l’efficacité de l’assemblage sont primordiales,Boulons hexagonaux à brides’avèrent être une solution de fixation supérieure. Couramment utilisés dans les applications mécaniques et structurelles à usage intensif, ces boulons combinent une tête hexagonale avec une bride intégrée pour offrir une meilleure répartition de la charge, un nombre réduit de pièces et une fiabilité accrue. Dans cet article, nous nous plongeons dans le monde deBoulons hexagonaux à bride, en explorant leurs caractéristiques, leurs avantages, leurs utilisations et comment choisir le bon type pour vos projets.
Que sont les boulons hexagonaux à bride ?
Boulons hexagonaux à bridesont des boulons à tête hexagonale avec une bride circulaire intégrée à la base de la tête. Cette bride agit comme une rondelle qui ne tourne pas, répartissant la charge plus uniformément sur la surface et évitant d’endommager le matériau à fixer. Ces boulons sont largement appréciés pour leur capacité à fournir à la fois une force de serrage élevée et une stabilité accrue sans nécessiter de rondelles ou de composants de verrouillage supplémentaires.
Principales caractéristiques des boulons hexagonaux à bride
Bride intégrée
La caractéristique la plus distinctive deBoulons hexagonaux à brideest la bride intégrée, qui augmente la surface d’appui, répartit la force plus uniformément et réduit le risque de déformation ou de desserrage du matériau sous l’effet des vibrations.Conception de tête hexagonale
La tête hexagonale permet un serrage facile avec des outils standard, améliorant ainsi l’efficacité du travail sur les lignes d’assemblage ou les installations sur le terrain.Disponible en plusieurs matériaux
Ces boulons sont disponibles en acier inoxydable, en acier au carbone, en acier allié et même en variantes revêtues pour une résistance à la corrosion et des environnements industriels spécifiques.Dentelures en option
Les brides dentelées ajoutent une fonctionnalité de verrouillage, empêchant le desserrage involontaire dans les applications dynamiques ou à fortes vibrations.
Avantages de l’utilisation de boulons hexagonaux à bride
Aucune rondelle nécessaire
Éliminez le besoin d’une laveuse séparée, ce qui simplifie l’inventaire et réduit le temps d’installation.Meilleure répartition de la charge
Minimisez les dommages aux pièces connectées en répartissant la pression sur une plus grande surface.Résistance accrue aux vibrations
Surtout lors de l’utilisation de versions dentelées,Boulons hexagonaux à brideTenir fermement même dans les systèmes vibrants.Résistance à la corrosion
L’acier inoxydable et les variantes revêtues résistent à l’oxydation et à la corrosion, ce qui prolonge la durée de vie du joint.Gain de temps et d’argent
Une conception simplifiée et une installation plus rapide réduisent le temps de main-d’œuvre et les coûts associés.
Applications courantes des boulons hexagonaux à bride
Boulons hexagonaux à bridesont utilisés dans un large éventail d’industries en raison de leur conception polyvalente et de leurs performances fiables :
Automobile et moteurs
Utilisé pour connecter les composants du moteur, les suspensions et le châssis où une résistance aux vibrations et une résistance à la traction élevée sont nécessaires.Machinerie et équipement lourds
Idéal pour les châssis de machines, les joints et les boîtiers d’équipement qui fonctionnent sous de lourdes contraintes et charges.Construction et charpentes d’acier
Parfait pour le boulonnage de poutres et de plaques d’acier dans les applications structurelles.Systèmes électriques et CVC
Utilisé dans les montages de panneaux et les systèmes de support qui nécessitent une fixation sûre et résistante à la corrosion.Projets pour la maison et le bricolage
Idéal pour les meubles d’extérieur, les clôtures et les terrasses, surtout lorsqu’ils sont exposés à l’humidité.
Comment sélectionner les bons boulons hexagonaux à bride
Lors de la sélectionBoulons hexagonaux à bridePour votre demande, tenez compte des facteurs suivants :
Compatibilité des matériaux: Adaptez le matériau du boulon à l’environnement - acier inoxydable pour la résistance à la corrosion, acier allié pour la résistance.
Type de bride: Bride lisse pour les surfaces délicates ; Bride dentelée pour une meilleure adhérence et des effets anti-desserrage.
Taille et pas de filetage: Assurer un bon ajustement avec les composants d’accouplement pour maintenir l’intégrité structurelle.
Revêtements et traitements: Les revêtements zingués, en oxyde noir ou en Dacromet améliorent la durabilité dans les environnements difficiles.
Normes et grades: Recherchez des boulons conformes aux normes internationales telles que ISO 4162, DIN 6921 ou ASTM A574.
Conseils d’installation
Serrez toujoursBoulons hexagonaux à brideà l’aide d’une clé dynamométrique calibrée pour éviter un serrage excessif ou insuffisant.
Pour les types dentelés, assurez-vous que la bride est en contact complet avec la surface pour activer l’effet de verrouillage.
Si vous travaillez dans des environnements corrosifs ou à haute température, appliquez un composé antigrippant pour éviter le grippage du fil.
Pour les assemblages critiques, envisagez de l’associer à des adhésifs frein-filet pour plus de sécurité.
Conclusion
Boulons hexagonaux à brideFournir une solution de fixation efficace et à haute résistance qui combine les avantages de serrage d’une bride avec la facilité d’une tête hexagonale. Leur capacité à répartir la force, à résister au desserrage et à endurer des conditions difficiles les rend indispensables dans de nombreux secteurs. Que vous construisiez de la machinerie lourde ou que vous sécurisiez des structures extérieures,Boulons hexagonaux à brideOffrent la force et la simplicité nécessaires à des performances fiables.
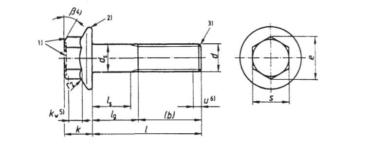
Dessin du produit






