Boulons de bride de tête hexagonale ASME B18.2.1
1 et 1ASME B18.2.1-8 Boulons de bride de tête hexagonale
2. Fabricant de boulons de source, propre usine: avec avantage des prix, éliminant la différence de prix des intermédiaires.
3.Adopt le meilleur acier épaissis de haute qualité de l'industrie, la stabilité élevée et la durabilité durable.
4. Publication du client Support.
5. Service de vente et de vente après-vente professionnel, bienvenue à s'enquérir à tout moment.
6. livraison à temps.
Boulons de bride de tête hexagonale ASME B18.2.1: Force d'ingénierie pour la fixation sécurisée
Boulons de bride de tête hexagonale ASME B18.2.1sont des attaches haute performance conçues pour exiger des applications industrielles et structurelles. Ces boulons comportent untête hexagonale avec une bride intégrée, qui distribue la charge plus uniformément, éliminant le besoin de rondelles séparées. Conforme auASME B18.2.1 Standard, ces boulons garantissent l'uniformité, la résistance et la fiabilité à travers divers projets d'ingénierie et de construction.
Que ce soit utilisé dans l'assemblage automobile, les machines ou les connexions structurelles robustes,Boulons de bride de tête hexagonale ASME B18.2.1Offrez des performances exceptionnelles, une force de serrage supérieure et une durabilité à long terme.
Que sont les boulons de bride de tête hexagonale ASME B18.2.1?
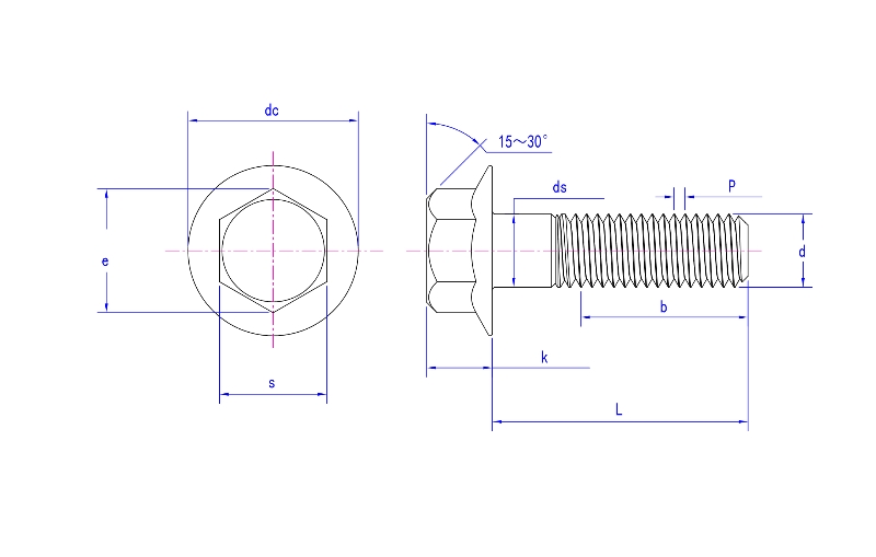
Boulons de bride de tête hexagonale ASME B18.2.1sont des attaches de précision avec untêteet unbrise circulairesous la tête. La bride agit comme une rondelle intégrée, répartissant la force de serrage sur une plus grande surface pour réduire la pression sur la surface du matériau.
Caractéristiques clés deBoulons de bride de tête hexagonale ASME B18.2.1inclure:
Se conformer àASME B18.2.1, assurer une précision dimensionnelle et une interchangeabilité
Bride intégréepour une amélioration de la distribution de charge et de la résistance aux vibrations
À partir deacier au carbone, acier inoxydable ou acier en alliagepour une force améliorée
Disponible dans une variété detangages de fil, y compris les options de threads grossiers et fins
Offert dans plusieurs finitions de surface telles queplacage de zinc,oxyde noir, ouGalvanisation à chaud
LeBoulons de bride de tête hexagonale ASME B18.2.1sont couramment utilisés lorsque la fixation rapide, fiable et sécurisée est critique.
Avantages des boulons de bride de tête hexagonale ASME B18.2.1
Force de serrage améliorée
La bride intégrée deBoulons de bride de tête hexagonale ASME B18.2.1Augmente la zone de contact entre le boulon et la pièce, offrant une connexion plus serrée et plus sécurisée sans avoir besoin d'une rondelle.Conformité et uniformité
Fabriqué àNormes ASME B18.2.1, ces boulons garantissent la cohérence des dimensions et des performances, ce qui les rend idéales pour les projets d'ingénierie internationaux et à grande échelle.Résistance aux vibrations
La conception de la bride aide à résister au relâchement en raison des vibrations et des charges dynamiques, ce qui faitBoulons de bride de tête hexagonale ASME B18.2.1Parfait pour les machines, les moteurs et les véhicules.Économies de temps et de coûts
L'élimination du besoin de rondelles séparées simplifie l'installation et réduit les coûts des composants dans les lignes de montage et le travail sur le terrain.Résistance à la corrosion
En fonction du matériau et de la finition,Boulons de bride de tête hexagonale ASME B18.2.1Offrez une excellente résistance à la corrosion, ce qui les rend adaptées à une utilisation intérieure et extérieure.
Applications des boulons de bride de tête hexagonale ASME B18.2.1
Industrie automobile- supports de moteur, systèmes de suspension et assemblages de châssis
Machinerie lourde- boîtes de vitesses, systèmes hydrauliques et boîtiers mécaniques
Projets de construction- Structures en acier, ponts et bâtiments pré-ingérés
Équipement de fabrication- Systèmes de convoyeur, armes robotiques et installations d'usine
Puissance et énergie- éoliennes, cadres de panneaux solaires et montage des transformateurs
Partout où la force, la précision et la durabilité sont nécessaires,Boulons de bride de tête hexagonale ASME B18.2.1offrir une fiabilité inégalée.
Options de traitement des matériaux et de la surface
Carbone- Strong et économique, adapté à un usage industriel général
Acier inoxydable (304/316)- Excellente résistance à la corrosion, idéale pour les environnements marins et chimiques
Acier en alliage- résistance à la traction élevée pour les applications exigeantes
Options de fin- Plaqué de zinc, galvanisé à chaud ou noir pour une protection supplémentaire
Sélection du matériel et du revêtement pourBoulons de bride de tête hexagonale ASME B18.2.1Peut être adapté pour répondre aux exigences spécifiques du projet et de l'environnement.
Conclusion
Si votre projet exige une force de fixation supérieure, une résistance aux vibrations et une conformité aux normes internationales, ne cherchez pas plus loin queBoulons de bride de tête hexagonale ASME B18.2.1. Ces boulons sont conçus pour la durabilité et l'efficacité, combinant la force de serrage robuste d'une rondelle avec la simplicité d'une attache en une seule pièce.
ChoisirBoulons de bride de tête hexagonale ASME B18.2.1Pour votre application industrielle, automobile ou structurelle et ressentez la différence de performance et de fiabilité.
Photos
Dessin de produits





